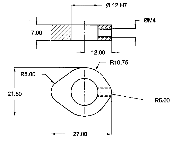
Neutral indicator cam


ducatimeccanica.com - home



By Wolfrram Hage Germany

If your neutral indicator cam is worn and causing problems here is a diagram that can be used to repair or remake the cam.