Ducati 160 Monza Jr - Owners, Service and Maintenance Manual

  ducatimeccanica.com - home
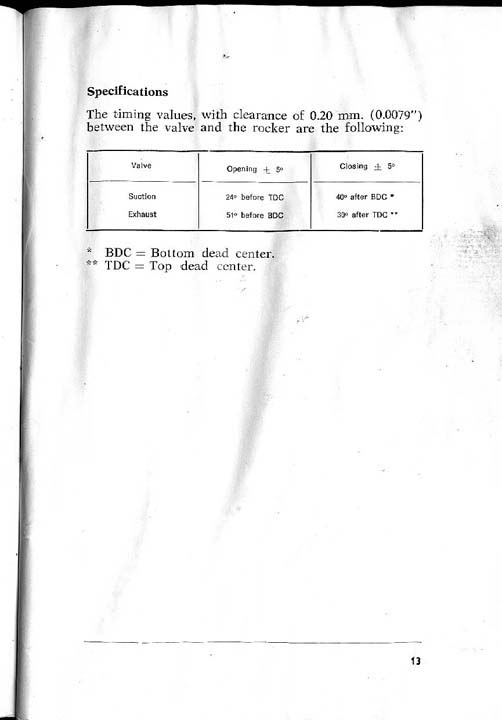
Owners Manual / pg13
160 Monza Jr

Previous Home Next

pg13